Цифро-аналоговый преобразователь

Цифро-аналоговый преобразователь (ЦАП) - это устройство для преобразования цифрового кода в аналоговый сигнал по величине, пропорциональной значению кода. ЦАП применяются для связи цифровых управляющих систем с устройствами, которые управляются уровнем аналогового сигнала. Также, ЦАП является составной частью во многих структурах аналого-цифровых устройств и преобразователей. ЦАП характеризуется функцией преобразования. Она связывает изменение цифрового кода с изменением напряжения или тока. Функция преобразования ЦАП выражается следующим образом:

где Uвых - значение выходного напряжения, соответствующее цифровому коду Nвх, подаваемому на входы ЦАП. Uмах - максимальное выходное напряжение, соответствующее подаче на входы максимального кода Nмах.

Величину Кцап, определяемую отношением , называют коэффициентом цифроаналогового преобразования. Несмотря на ступенчатый вид характеристики, связанный с дискретным изменением входной величины (цифрового кода), считается, что ЦАП являются линейными преобразователями.

Если величину Nвх представить через значения весов его разрядов, функцию преобразования можно выразить следующим образом

, где i - номер разряда входного кода Nвх; Ai - значение i-го разряда (ноль или единица); Ui – вес i-го разряда; n – количество разрядов входного кода (число разрядов ЦАП).

Вес разряда определяется для конкретной разрядности, и вычисляется по следующей формуле:
, где UОП -опорное напряжение ЦАП

Принцип работы большинства ЦАП - это суммирование долей аналоговых сигналов (веса разряда), в зависимости от входного кода. ЦАП можно реализовать с помощью суммирования токов, суммирования напряжений и деления напряжений. В первом и втором случае в соответствии со значениями разрядов входного кода, суммируются сигналы генераторов токов и источников ЭДС. Последний способ представляет собой управляемый кодом делитель напряжения. Два последних способа не нашли широкого распространения в связи с практическими трудностями их реализации.

Способы реализации ЦАП с взвешенным суммированием токов

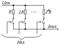
Рассмотрим построение простейшего ЦАП с взвешенным суммированием токов.

Этот ЦАП состоит из набора резисторов и набора ключей. Число ключей и число резисторов равно количеству разрядов n входного кода. Номиналы резисторов выбираются в соответствии с двоичным законом. Если R=3 Ом, то 2R= 6 Ом , 4R=12 Ом, и так и далее, т.е. каждый последующий резистор больше предыдущего в 2 раза. При присоединении источника напряжения и замыкании ключей, через каждый резистор потечет ток. Значения токов по резисторам, благодаря соответствующему выбору их номиналов, тоже будут распределены по двоичному закону. При подаче входного кода Nвх включение ключей производится в соответствии со значением соответствующих им разрядов входного кода. Ключ замыкается, если соответствующий ему разряд равен единице. При этом в узле суммируются токи, пропорциональные весам этих разрядов и величина вытекающего из узла тока в целом будет пропорциональна значению входного кода Nвх. Сопротивление резисторов матрицы выбирают достаточно большое (десятки кОм). Поэтому для большинства практических случаев для нагрузки ЦАП играет роль источника тока. Если на выходе преобразователя необходимо получить напряжение, то на выходе такого ЦАП устанавливается преобразователь "ток-напряжение", например, на операционном усилителе:

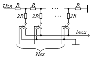
Однако при смене кода на входах ЦАП меняется величина тока, отбираемая от источника опорного напряжения. Это является главным недостатком такого способа построения ЦАП. Такой метод построения можно использовать только в том случае, если источник опорного напряжения будет с низким внутренним сопротивлением. В другом случае в момент смены входного кода изменяется ток, отбираемый у источника, что приводит к изменению падения напряжения на его внутреннем сопротивлении и, в свою очередь, к дополнительному напрямую не связанному со сменой кода изменению выходного тока. Исключить этот недостаток позволяет структура ЦАП с переключающимися ключами:

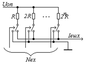
В такой структуре имеется два выходных узла. В зависимости от значения разрядов входного кода соответствующие им ключи подключаются к узлу, связанному с выходом устройства, или к другому узлу, который чаще всего заземляется. При этом через каждый резистор матрицы ток течет постоянно, независимо от положения ключа, а величина тока, потребляемого от источника опорного напряжения, постоянна. Общим недостатком обеих рассмотренных структур является большое соотношение между наименьшим и наибольшим номиналом резисторов матрицы. Вместе с тем, не смотря на большую разницу номиналов резисторов необходимо обеспечивать одинаковую абсолютную точность подгонки как самого большого, так и самого маленького по номиналу резистора. В интегральном исполнении ЦАП при числе разрядов более 10 это обеспечить достаточно трудно. От всех указанных выше недостатков свободны структуры на основе резистивных R-2R матриц:

При таком построении резистивной матрицы ток в каждой последующей параллельной ветви меньше чем в предыдущей в два раза. Наличие только двух номиналов резисторов в матрице позволяет достаточно просто осуществлять подгонку их значений. Выходной ток для каждой из представленных структур пропорционален одновременно не только величине входного кода, но и величине опорного напряжения. Часто говорят, что он пропорционален произведению этих двух величин. Поэтому такие ЦАП называют умножающими. Такими свойствами будут обладать все ЦАП, в которых формирование взвешенных значений токов, соответствующих весам разрядов, производится с помощью резистивных матриц. Интегральные технологии позволяют достаточно просто формировать на кристалле резисторы, например, КМОП - технология. Как и все прочие ИС, созданные на ее основе, такие ЦАП, характеризуются низкой стоимостью и низким потреблением. Недостатком данной технологии- это паразитные емкости, и вытекающей из него низкое быстродействие. Большего быстродействия поможет достичь биполярная технология. НО она не рассчитана для создания точных резисторов, Поэтому при использовании таких технологий ЦАП делается на основе транзисторных источников тока. Зависимость выходного тока транзисторных источников тока от величины питающего напряжения нелинейна, поэтому такие ЦАП умножающими не являются. Кроме использования по прямому назначению умножающие ЦАП используются как аналого-цифровые перемножители, в качестве кодоуправляемых сопротивлений и проводимостей. Они широко применяются как составные элементы при построении кодоуправляемых (перестраиваемых) усилителей, фильтров, источников опорных напряжений, формирователей сигналов и т.д.

Основные параметры ЦАП

Основные параметры, которые можно увидеть в справочнике:

  1. Число разрядов – количество разрядов входного кода.
  2. Коэффициент преобразования – отношение приращения выходного сигнала к приращению входного сигнала для линейной функции преобразования.
  3. Время установления выходного напряжения или тока – интервал времени от момента заданного изменения кода на входе ЦАП до момента, при котором выходное напряжение или ток окончательно войдут в зону шириной младшего значащего разряда (МЗР).
  4. Максимальная частота преобразования – наибольшая частота смены кода, при которой заданные параметры соответствуют установленным нормам.